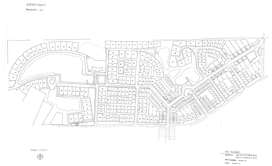
Habersham Phase 7 Development

Habersham Land Company will provide updates every 2 weeks on Phase 7 construction activities.
Enter your email address below to be notified each time a new update is available.

Patrick Kelly Patrick Kelly

Rock and Roll

If you have been watching the progress of the Pondcrest Phase, you can probably really start seeing the streets be defined with curbing in, rock going down, and some sidewalks being started.  This will continue for the next few weeks.  The contractor is finishing up paving on another job, so all of their dump trucks are about to free up which means they can redirect them to delivering base rock here for the rest of the roads.  Next week, you’ll most likely see many dump trucks coming in and dumping rock.  Let’s do the math to see just how many trucks will be needed:

Infographic showing how many dump trucks of base rock is needed for the roads in the new phase of Habersham called Pondcrest.

Infographic created by ChatGPT

Base rock being dumped by dump truck on North Market in Pondcrest, a new phase of Habersham

Here is one of those dump trucks dumping base rock in the North market extension.

Before all of that rock gets brought in, the curb had to be put in and where there are streets without curb, the edges of the road must be staked.  You’ll see the crew continuing around the site putting in wooden stakes along the edges of the road with marks on the stakes showing the elevation of the top of road.

Survey stake in new phase of Habersham, called Pondcrest, that shows Edge of Pavement elevation

Stake at edge of road showing elevation of Edge of Pavement (EOP) and sidewalk. The blue line towards the bottom shows where the asphalt will be and the pink line shows where the sidewalk will be. In this case, there is a curb so the sidewalk is 6” higher than the pavement.

The majority of the curb is in.  As we saw in the previous post, most of the curb was hand formed and poured.  More recently, they used a curb machine for some of the last stretches of curb.  I asked why and was told they simply wanted to see how the curb machine did, as they are looking to use it on larger jobs.  Because Habersham’s street network is made up of smaller size blocks and have lots of curb cuts for crossing sidewalks and alleyways, typically hand forming curbs turns out to be easier.  The concrete crew would probably agree too, but they at least got a chance to try both.  

Crew hand forming curb for new phase of Habersham, called Pondcrest

Here, a crew is hand forming a new curb.

A crew using a curb machine to lay curb in new phase of Habersham, called Pondcrest

Here, the crew has switched to using the curb machine. The machine basically extrudes a curb along a string line and it requires no form boards. The concrete is thick enough that it can stand on its own.

So, which way is faster?? Here is the curb machine in action. Don’t blink!

One thing you’ll notice on some of the curbs is that they have stamped “W” and “S” letters on them.  This is not indicating any cardinal directions, but rather it is marking the location of water and sewer service lines.  This is a requirement from BJWSA.  When there is no curb, the lines are marked with a different method.

Freshly machined curb with water and sewer stamps in it located in the new phase of Habersham, called Pondcrest
Water and Sewer locations stamped in curb per BJWSA specifications for new phase of Habersham, called Pondcrest

May be hard to see in the first picture, but here is a closeup showing the water and sewer location stamps.

Sidewalks have also just started and you’ll be seeing them being poured over the next week.  Sidewalks will be 5’ wide like in Habersham.  This width is 5’ because that is the dimension that allows two people to walk comfortably side by side.

Base rock, curb and sidewalk in for now road in Pondcrest, a new phase of Habersham

North Assembly Row starting to take shape with sidewalk being poured on one side, curb in, and base rock down.

Other work happening on site includes the power and telecommunication conduit continuing their installation, conduits for street light power going in, and the three phase conduit that will supply power to the pump station will be put in next week.  Pressure tests were done on the water line crossings along Cherokee Farms Road so that they could be prepared for paving.  These tests have to hold 150PSI for 2 hours with no pressure lost at all.  One crossing had a slight drop, so that will need to be troubleshooted and retested.

With the roads being rocked and sidewalks going in, we hope to be able to provide the opportunity for a site walkabout soon.  We will let everyone know when this gets scheduled.

Alley surrounds a dry pond in Pondcrest, a new phase of Habersham

One of the alleys that has a dry pond park in the middle.

Pool site with curb in as part of Pondcrest, a new phase of Habersham

Pool site gets curbing on one side where the parking will be.

Read More
Patrick Kelly Patrick Kelly

Make Hay While the Sun Shines

That is what you have been seeing.  Rain is finally in the forecast this weekend, but the last few weeks of no rain could not have been any better for getting roads cut in and base prepared.  The contractor told me the other week, “the faucet will turn on eventually, and when it does, it usually doesn’t stop.”  It has been all hands on deck to get as much done as possible while the sun shines.  Not only roads, but also finishing out all stormwater infrastructure, getting dry utilities (power and telecommunications) in, finishing up the forcemain connection, getting curbs in, and grading out the rest of the site.  I haven’t had a chance to get a blog post out due to just barely hanging on trying to keep up and stay ahead of everything so that our responsibilities didn’t hold up any of the work.  I’ll try to cover everything that has been happening with pictures below.

Maybe the most obvious work that happened was the tying in of the forcemain (i.e., sewer line) because of the road closure it caused on Cherokee Farms Road.  We realize that was an inconvenience for one day for many people, but we appreciate everyone’s patience and cooperation with it.  You may remember in a previous post about the installation of the forcemain pipe from the pump station wet well all along Cherokee Farms Road down to the church and how many utilities they had to work around.  That was extremely difficult and time consuming and it didn’t get any easier when it was time to cross the road and connect in to the main sewer line that takes everything to the treatment facility.  BJWSA requires a manhole be installed just before the pipe ties in because it houses the check valve which keeps the wastewater in the main line from being pushed back into the project’s forcemain and they want to have access to it.  Since the sewer main line is just off the shoulder of Cherokee Farms Road, this did not leave a lot of room for a manhole structure.  What also made it difficult is that the main gas line is also in this location.  Nobody knew if the manhole would fit in between the gas line and the main sewer line until the hole was dug, so it was a big of a crossed fingers situation.

prep for manhole location in between gas line and sewer force main

Here you can see the red valve sticking out that is attached to the tapping saddle (remember the saddle from the water tap?  Same thing for the sewer tap) and the gas line passing through on the left.  The manhole has to fit in between those two.  Yikes!

Lowering manhole into hole for forcemain connection

So here comes the bottom section of the manhole.  Do you think it is going to fit??

sewer manhole fit between gas line and sewer main

Look at that!  Just by a few inches!  It worked out and the gas pipe also ended up not being in the way of the pipe coming out of the manhole and the second valve that has to come up just before the manhole.  My apologies for not having picture of everything in after this as I had to run to another location on site and by the time I had gotten back, they had finished and got it covered up.

Laying forcemain in amongst other utilities along Cherokee Farms Road for Pondcrest Phase

Once they got across the road, it was back to spaghetti junction of telecommunication cables to try to get the pipe in and connected to where they had left off.  Everything got connected and the forcemain is now complete.  These guys work so hard and it really is amazing how well they all work together to get a job done.  It’s something I wish everyone could see firsthand.  

Back over on the other side of the project, a second grading crew was brought in to help move dirt and get roads cut in.  They finished out the grading of the dry ponds and got in all of the French Drain systems in those, most of which was done at the time of the last update.  For the roads, it is all about the dirt.  You’ve got to cut out everything all the way down to where you will be putting your rock base and see what you’re dealing with.  The roads have been dug up so much with all of the utilities that are in them, so the contractor knew there were probably going to be areas that needed some stabilization.  They typically like to cut the roads in and then have equipment running over them for a bit to help see where the worse spots are.  If your base dirt isn’t compacting, you have to dig it out and put good dirt back in there.  This can get very expensive because you most likely would be trucking that dirt in.  Again, this is why dry weather is ideal for this work because it is difficult to get wet, muddy dirt to compact.  The way you test the compaction is by what is called a proof roll, which taking a fully loaded dump truck and running it up and down the road bed to hopefully see that the tires are not pushing into the dirt any.  We’ll show this further in the blog post.  

Another option for non-compacting dirt (or wet dirt) besides digging it out is to mix cement into it.  This is called a soil cement mix.  The cement absorbs the moisture in the dirt as it is mixed in and then hardens and creates a very hard base.  More and more folks are doing this now because good fill dirt is harder and harder to get at a reasonable price.  It is my understanding (could be wrong) that Beaufort County is not issuing any dirt mining permits, so the dirt ends up having to be trucked in from much farther out, which increases the cost.  The soil cement mix uses the dirt that is already there.  It’s still not cheap because it requires special equipment, which you’ll see in the pictures and you have to buy the cement.

J.R. Wilson site spreader preparing another pass of spreading cement for soil cement mix on a new road in Pondcrest Phase of Habersham.

This is the cement spreader truck.  Once the road bed is cut out, this truck comes through and spreads a certain amount of cement on the road.  You can see in the picture where the truck has made one pass and the rest of the road is still bare.  This is Mr. Wilson telling his operator where to go next.  The amount of cement is determined by the condition of the soil.  For instance, this used around 30 lbs of cement per square yard of road.  If you were trying to get compaction through pure muck, you may use over 100 lbs. per square yard.  The dirt here is pretty good, it’s just been churned up so much with all the digging, so needed a little bit of help.

This is the spreader in action, putting the prescribed amount of cement on the road.

cement on road ready to mix for soil cement base on a new road in Pondcrest Phase of Habersham

This is the road once all the cement has been spread across it.

Next, the mixing machine comes in to mix all of that cement into the soil.  This is a heck of a piece of equipment.  Underneath it is a big drum with teeth that can be lowered into the ground to the depth needed and basically till the road bed up with the cement.  In our case, they were going down about 15”-16”.  Looks like it could go as much as 2’!  

soil cement mixer being driven on new road in Pondcrest Phase of Habersham

This is the machine that does the mixing.

Here, you can see it at work.  Towards the end of the video, you can see the arm raising up, where he is lifting the mixer out of the ground.  The guy in front guides the driver around structures in the ground because this thing seemingly grinds through anything!  The driver of the machine has been working with J.R. Wilson for 2 years and he was brought in from North Carolina specifically for his expertise in soil cement.  He has worked with it for years and is supposedly one of the best there is out there.

Soil Cement mix being used on a new road in the Pondcrest Phase of Habersham

This is what it leaves in its path.  The darker brown dirt is what has been brought up and mixed with the cement.  It’ll all be graded back out afterwords and then set up to harden.  

The next step is proof rolling.  For proof rolling, a geotechnical engineer comes on site to witness the proof rolling and gives the thumbs up or thumbs down on whether the base meets the compaction requirement.  He walks along the side of the loaded dump truck all the way down each road and then back, watching the tires the whole time.

The inspector is wanting to see that the tires of the dump trunk are not pushing into the dirt more than about 1/2”, which is sometimes referred to as “pumping.”  Here you can see the road base is rock hard.  This dump truck weighs over 40,000 lbs.!

Here is an example of where there is pumping.  You see as the dump truck goes over, the ground goes down and then comes back up.  This is an area that required digging out again and either mixing a higher ratio of cement or backfilled with rock.  There may have been two areas like this and that was all.  The inspector gave the contractor a big thumbs up and said the roads were in perfect condition.  Kudos to J.R. Wilson.  They will test more roads as they get them ready.

New road connection off of Cherokee Farms Road to a new road in the Pondcrest Phase of Habersham with rock base starting to be put down.

And here we go.  Rock is starting to go down on those roads that have passed the proof rolling test.

Curbing is the other thing that needs to go in before rock is put on roads.  Not all the roads have curb in this phase, but some of the more urban ones do.  Habersham uses a vertical curb rather than a rolled curb that you see in a lot of suburban neighborhoods.  The vertical curb is the more traditional curb that you see in urban areas and historic neighborhoods.  

vertical curb hand formed for North Market in Pondcrest Phase of Habersham

The curb being formed up for the extension of North Market.

curb inlet with vertical curb formed up ready for pouring on new street in Pondcrest Phase of Habersham

They form the curb inlets into the curb so they are integrated.

Pouring curb and hand troweling for a new curb in Pondcrest Phase of Habersham

These curbs are hand formed and then hand troweled.  Here, you can see the cement truck pouring into the forms and the guys coming behind it to smooth it out and give it the proper radius.

Below are a few more pictures of things happening around the site.

New pool site for Pondcrest Phase of Habersham graded 12" below final grade to prepare for construction

The pool site is graded and prepared.  The pool deck area has to be graded down to 12” below where it will be finished so they can get the plumbing in and then pour the 6” deck on top.  Still not quite ready to start but getting closer.

Joint trench for power and telecommunication in Pondcrest Phase of Habersham

Electrical and Telecommunication conduit has started.  The gray is for power and the orange ones are for Brightspeed and Sparklight.

Fench drain being installed in dry pond that will serve as a park in Pondcrest Phase of Habersham

This is the French Drain being put in down the center of the dry pond.  We want this to be a nice open park, so designed in a way where most of the overflow from the wet pond will infiltrate immediately and flow down to the outflow without ever being seen.  There is a pipe in the middle of all of that rock and water will also be carried through the rock.  All of that will be grassed over and you’ll never see it.  Only in a major rain event will this park potentially fill up with water.

New house raised slab by Lanthorne Homes in Pondcrest Phase of Habersham

Hey! Look at that!  The first house has started!  Lanthorne Homes has begun their foundation work, so it won’t be long until we see something vertical coming out of the ground.  Other homes should be starting soon.

Read More
Patrick Kelly Patrick Kelly

Roads, Ponds (with fish!), and Water Taps

There has been a lot of progress in the last two weeks.  The ponds are being finished up and grassed, some of the alleys have begun to get rock put down, and all the connections into the main water line have been completed successfully.  We’ll walk you through the progress with pictures.

There has been a lot of progress in the last two weeks.  The ponds are being finished up and grassed, some of the alleys have begun to get rock put down, and all the connections into the main water line have been completed successfully.  We’ll walk you through the progress with pictures.

sub base for road bed

The grading crew started in the back of the property to finish out the grading of the long arcing alley back there since that is where the power company will begin their power installation.  Above is a picture of the alley cut down to subgrade and prepped for the rock base and then rock being put down.  

rock base being put down for road or alley

All of the alleys will get around 6” of rock.  We will just be putting down the base rock for now.  Since home construction should happen much more quickly in this phase, we hope to be able to hold off on putting the final top layer of the nicer rock down until the home construction is completed in order to preserve the integrity of the alleys.  We’ll see. 

As the grading crew finished up that alley, they then moved to finish the ponds so that all stormwater can begin to be directed into the stormwater system instead of through the temporary erosion control structures.  

pond banks being graded for grassing

This is the pond that was existing on site. The banks are being improved and then will be hydroseeded. The water is green because it has been stagnant. Hopefully, by connecting it to the larger pond and allowing the water to start flowing, it will clear up.

hydroseeding banks of a wet pond

This is the large pond being hydroseeded. The truck in the center of the picture has a tank on the back and a guy spraying out a mixture of grass seed and a special mulch that will lay over the seed and help it stay hydrated while it sprouts. Hopefully the rain yesterday will be just enough to start everything sprouting up. The pond will start filling up as well.

New detention pond dug and all banks hydroseeded

This is the large pond again with all the banks seeded.

dry pond getting topsoil added to final grading

This is a picture of the dry pond having top soil added to it. This will be a slight depression, but will be grassed and will serve as a large open playfield. It will also serve as an overflow for the large wet pond during large rain events.

Excavator digging out for installation of weir wall between wet detention pond and dry pond

Work began on the installation of the weir wall between the wet pond and the dry pond. This is where the large pond will overflow into the dry pond during large rain events. The dry pond will have a large French Drain down the middle so that most overflow will drain underground and not remain on the surface.

New fish arriving in freshly dug pond

Look carefully. Fish! It’s amazing how nature finds a way. We only have a couple of inches of water in the new ponds, which has come from groundwater, and there are somehow already fish in the water!

In the next series of pictures, you’ll be taken through the process of tapping the main water line and what that entails. We tried to capture each of the steps to show what was causing all of the traffic detours last week. In the previous post, we summarized what happens and explained that the plan was to do 2 on Tuesday and 2 on Thursday. The crew was only able to get one done on Tuesday because the second one wasn’t holding pressure to BJWSA’s liking and the BJWSA had to leave to go to another scheduled tap. This forced the ambitious task of getting all 3 taps done on Thursday (to avoid another 2 week wait for BJWSA’s crew to be rescheduled). To J.R. Wilson’s credit, they got it done as well as got the pipes connected and extended across the road so that the holes could be filled in with flowable fill (a type of cement) and reopened for Friday. They did a great job.

trench dug across Cherokee Farms Road to tap water main

One of the four locations in Cherokee Farms Road where the main water line was exposed in a hole for the crew to attach the new water pipes to. These are the locations for the water taps.

Attaching tapping saddle to water main

Some quick orientation so you know what you’re looking at in the next few pictures. The large metal panels in the hole is called a trench box. A trench box creates a safe working space down in a hole that is deeper than 4 feet, to keep the sides from caving in. The light blue pipe is the 10” water main that carries all of the water for Habersham. The yellow pipe is the 4” gas main that carries all of the gas for Habersham. It has to be worked around carefully and was just barely out of the way enough to not cause issues. What the guy in the hole is putting on, which is gray, is the tapping saddle. This is what clamps around the water main and has the tee come off of it where the hole will be cut into the water main. The red piece the guy is leaning on up top is the valve. It will connect to the tapping saddle and will close off the water once the hole is drilled and before the saw is removed.

Attaching gate valve to tapping saddle for water connection while bypassing gas line

The valve is being attached to the saddle. There are about a dozen large bolts that clamp the two together. In this picture you can see how close the gas line was to getting in the way. On top of the valve, you can see a black little cube looking object, which is what is turned with a special tool to open and close the valve. To access that from the surface, a tube will be put on top of that and go all the way up to the road (called a valve box), so you can imagine the issue if that gas line had been over the top of where that valve knob is! Some things you just don’t know until you get down there!

57 stone being added for bedding to new water pipes

Rock is then added to the entire trench for a proper bedding for the pipes.

Pressure testing tapping saddle and gate valve connection for BJWSA

The next thing that happens is pressure testing the saddle. Above we saw the dozen bolts clamping the saddle and the valve together. That seal is very important to be water tight because when the valve is closed, there will be a lot of pressure there, so this is tested before the hole is drilled into the main water line. They close the valve and then connect a gauge and a hose to to the top of the tee in the saddle, where they will fill that small area with water pressurized to something like 150 PSI (I can’t remember exactly). BJWSA requires this to hold with for 20 minutes without the needle on that gauge to move even the slightest bit. They take a picture of the gauge when it starts and at the end and compare the two to see if there is any variation whatsoever. This is what the second one ran into on Tuesday. The needle kept moving the tiniest fraction. They ended up taking everything off and starting over and passed on Thursday.

Tapping saw lowered in hole to tap water main

Now it’s BJWSA’s turn to get in the hole. They are satisfied with the pressure test and are ready to tap the water main. Down in the trench are there needed tools. The main tool is the tapping saw, which is the long object laying down on the rocks. You can see at one end where there are another dozen or so bolts, which is where they will attach the tapping saw to the red valve. This has to be attached just like the valve was attached to the tapping saddle because once that saw punches through, it will be pressurized from the water main until they can pull the saw back behind the valve and close the valve to safely remove the saw. The connection doesn’t have to test since it is a temporary connection, so you’ll see water coming out of that seal when the hole gets tapped.

tapping saw being attached to gate valve by BJWSA in preparation for tapping watermain

Here you can see the tapping saw has been attached to the red valve and they are inserting the rod to the saw that will push the hole saw forward through the valve into the water main.

Turn the volume up and you can hear the saw running. The operator is turning the shaft to slowly move the saw forward through the valve and saddle to the water main. They have marked on the shaft the place to stop so that they do not cut through the other side of the water main since they can’t see where the cut is being made.

In this video, you can see the hole has been made because you can see the pressure of the water coming out of where the saw is attached to the valve. The saw will be slowly backed out and the valve will be closed so that the saw can be removed safely.

The only thing left after the hole is cut is to attach the pipe, which we’ve seen pictures of in previous posts. So this was done 4 times in 4 locations down Cherokee Farms Road, completing the water infrastructure for Phase 7. There will be one more crossing done across Cherokee Farms Road for the sewer connection, which should be happening sometime in the next few weeks.

For now, the crew will continue to set the correct heights of stormdrain grates and manholes and mortaring those in place while the grading crew continues to prepare the roads and alleys.

Read More
Patrick Kelly Patrick Kelly

Lots of Digging, but no Gold

St. Patrick's Day Fun on Equipment

Happy St. Patrick’s Day

In the last two weeks, J.R. Wilson completed the forcemain.   Hopefully, for anyone who is in town and keeping an eye on the progress, you noticed the way the path jogged around the magnificent live oak trees as it made its way to the pump station wet well.  Having the forcemain in along Cherokee Farms Road allows the contractor to now start connecting the water and sewer to the main lines that run under or along the road.  The project has four locations where the water lines will connect to the main water line running down Cherokee Farms Road.  And then the forcemain will obviously connect to the main sewer line that was mentioned in a previous post.  Each of these requires getting under Cherokee Farms Road, which can be a little disruptive to traffic.  Thankfully, with a neighborhood like Habersham built with principles of design that includes interconnectivity of the street network, there are so many different ways to get somewhere and the disruption can be very minor.  A simple detour around a block can be all that is needed to route traffic.

Something else that these connections require is the presence of BJWSA inspectors.  BJWSA owns the water and sewer lines, just as they will own the water and sewer infrastructure that is being put in once the project is complete, and they do not allow you to do anything with their pipes unless they are present.  So, this requires scheduling these connections, or “taps” as they are formally called, with their inspectors.  J.R. Wilson has scheduled taps to happen next Tuesday and Thursday, the 24th and 26th.  They are scheduled to do water taps one day and two the other day.  That will be considered an ideal schedule.  Most likely, it will be one per day and then additional days will need to be scheduled.  So many things can happen that can cause a delay.  For example, there could be a failed pressure test, a gas line in the way, BJWSA could require a different configuration based on what they see with everything dug up, etc.

Habersham map showing cut locations on Cherokee Farms Road

The map shows the four locations where the water lines will be crossing Cherokee Farms Road, causing partial road closures March 19, for cutting the asphalt, March 24 for digging up the two on the left, and March 26 for digging up the two on the right. Traffic will be routed down and around these areas via other entry streets and Harford.

The asphalt will be cut this Thursday in preparation for this work.  This could cause some minor disruption, but it should be quick as they are only making saw cuts.  On the day of the scheduled taps, J.R. Wilson will pull up the asphalt and dig down to the main water line.  A saddle and a valve will be attached to the water main before BJWSA inspectors get there.  The saddle is what wraps around the water main and holds the connection to the main.  You can think of it as a Tee Connection.  Attached to the saddle will be a stop valve that closes or opens the flow of water to the new pipe.  Once BJWSA gets there, they will inspect everything before making the tap.  If they don’t like something, they will report it and require the tap to be rescheduled a different day.  If everything looks good, the tap will be made through the valve to cut a hole in the main line, the valve closed to shut off the water flow, and the tapping machine removed.  The new pipe can then be brought to the main and connected into the valve. However, the valve will not be opened until the project is completely done and the state authority issues a service authorization.  This process will be repeated for each of the tap locations.

water line crossing at Village Row and Cherokee Farms Road

One of the locations where the new water line will be coming across Cherokee Farms Road to connect to the 10” main water line. The orange lines are where they will cut the asphalt and dig across. The hole dug by the cone was done to locate the depth of the water main. In this location, the water main runs right along the shoulder of the road.

water line located along shoulder of Cherokee Farms Road looking towards Parish Church at Habersham

Looking carefully, you can see the blue flag and blue paint on the road in the back showing the existing main water line. You can also see the yellow markings that are showing how close the gas line is to the water line. The contractor won’t know the exact location and depth until they have it dug up. Hopefully no surprises!

You may have also noticed a water line connected to one of the fire hydrants along Cherokee Farms Road.  J.R. Wilson has obtained a hydrant meter from BJWSA to begin filling all of the newly installed water lines with water.  They will pressurize section by section to pressure test their lines.  If they do not hold the required pressure, they have to chase the problem to address it, which may be a bad valve connection somewhere or something else.  BJWSA’s requirement is holding 1.5x the pipe’s rated pressure, with a minimum of 150 psi for 2 hours.  The gauge has to show 1 psi increments and there cannot be ANY pressure drop over those two hours.  The official testing won’t happen until June, but J.R. Wilson self tests everything themselves to be sure they can address any issues prior to the official testing.  So, they are starting to self test now.

Other action occurring on site is some final grading.  The pond just finished getting completedis just now finishing to be completely dug out and that dirt is being used for fill along the alley that runs behind the lots on the northern property line.  That alley will then be prepped for its rock base.  As they finish that alley, they will move south with grading and rocking the road in front of those houses and finishing out the ponds.  Rip rap will be added to the pipes that empty into the ponds and topsoil added to the pond banks before it can be grassed and stabilized.  They’ll continue to work their way to the front of the property and we should have some good progress photos in the next post.  The power company should be able to come and start running power and telecommunications in the next few weeks as well. 

Road bed dug out for compaction of subgrade and prep for rock base

The beginnings of Fielder’s Mount being cut in as a road base. Getting it cut down in advance to allow equipment to run over it for a while helps with compaction.

Alley graded out around a preserved Hickory tree and a rain garden under construction

The alley in the northwest corner of the site is graded along with the rain garden dug out on the backside of it. The depression of the rain garden is hard to see in the image, but it is a depressed area where runoff is designed to flow to and slowly infiltrate through organic material that will be brought in.

alley graded with fill dirt from pond

The alley looking in the other direction. This alley serves the lots that will face the pond and much of the fill dirt to bring this alley to grade came from the pond dirt. Again, there is another rain garden behind the alley that is difficult to see in the picture.

pond banks being dressed with top soil so that they can be stabilized with grass. pond construction

Topsoil being added to the banks of the pond so that it can be grassed and stabilized.

panorama of pond under construction and completely dug out

Full pond all dug out. Pool will be on the far side in the distance.

Read More
Habersham Administrator Habersham Administrator

What is all the digging along Cherokee Farms Road?!?

If you’ve been in the neighborhood in the past week, you have probably noticed a trench being dug right along the edge of the asphalt all the way down Cherokee Farms Road, starting at the church. This is the last major piece of piping to go into the ground and it is the sewer forcemain. A forcemain is a pressurized pipe carrying pumped wastewater. This particular forcemain is being pumped from the pump station that was installed, which is where the trench will eventually end up if you continue to watch them dig. In an earlier post, the pump station wet well was described as the place where all the sewer pipes in the development phase empty into via gravity. As that wet well fills, the pump inside will discharge the wastewater into a 6” forcemain. It is pumped through that forcemain all the way just past the church where it will cross Cherokee Farms Road and connect into the 10” forcemain that carries it all the way to a regional pump station, which then will pump it to the treatment facility. The 10” forcemain that runs from Joe Frazier Road down Cherokee Farms Road was put in by Habersham when Habersham first started. It turns into the neighborhood behind the dentist office and slices through the neighborhood, unnoticed, all the way to the pump station that is right at the gate before you get to the pool. That pump station is where all the other Habersham pump stations pump into and then that pump station discharges into the 10” forcemain that exits the neighborhood. For phase 7, instead of pumping to another pump station, the forcemain for phase 7 will just pump right into the 10” forcemain. That connection hasn’t been made yet, but you’ll notice when it is being done because you will see them dig through Cherokee Farms Road to cross over right near the church.

Several telecommunication cables are running parallel right in the forcemain path the entire length, requiring constant maneuvering to not damage them and to get them out of the way.

Look at all the obstacles in the trench.  Two (actually a third that can’t be seen) cables running parallel in the trench, two conduits crossing through the trench, a large handhold box for telecommunications that was found buried a foot under the dirt that no one knew about, and a storm drain pipe crossing through the trench.  There is a water pipe as well that is not in view.

The work has been slow while installing the forcemain. It would typically be one of the easier pipes to lay because, since it is pressurized (like a water pipe), it can be the same relatively shallow depth the entire run of pipe. BJWSA requires it to be 4’ deep, so that is the depth of the trench that is being dug along the shoulder of the road. The problem is that there are many other utilities in this area as well. The crew is having to hand dig a lot to avoid cutting through fiber optic cables, copper cables, electrical cables and other cables that may or may not be active anymore. There are also several stormwater and water pipes that cross the road that the forcemain has to go under with an 18” clearance. You can see in the pictures above all the things visible in the trench that they are working around.

I’m sure there are folks out there watching the trench being dug and headed straight towards the majestic live oak across from Hamlet Row and worried about whether it will impact the tree. No worries! This has been designed around. The forcemain will veer into the property to go around the tree. In fact, we had to go through a design revision approval with BJWSA a few months ago when we staked out the path of the forcemain and realized we didn’t get it bumped over far enough to get out from under the edge of the canopy. We revised the path to push it out as far as we could from the tree to avoid having to cut underneath any part of the canopy.

What else has been happening over the past month and upcoming?

The last part of the sewer was completed. The last leg was the one going towards the gym and the church. The manhole at the end of the line can be seen at the edge of the church pavilion and you can see how shallow this one is compared to the others we’ve seen pictures of during the process.

The shallowest manhole in the project!

The end of the sewer line.  Last manhole.

There has also been some dirt moving going on. You may have noticed what looks like a couple of pieces of streets being cut in and that is exactly what it is. Nathan Wilson, of J.R. Wilson, came out and wanted to get some cuts in with his bulldozer to see what the subgrade compaction was like. With all the many years of experience under his belt, he says he can get the best feel for the dirt by using his bulldozer. As roads get cut in, it will have to be determined whether the subgrade is compacted enough to use in place or if it will have to be stripped out and fill dirt brought in or a dirt/cement mix. The compaction test is usually done via a Proof Roll, which involves a fully loaded dump truck driving back and forth on the prepared grade. We may get into that more on a future post as streets start.

The County has a 2026 aerial up on their GIS site now.  You can see where all the dirt moving has been happening and where things are in relation to the master plan.

Drone shot of the site from last week, looking west from the gym building.  We’ll try to get some more drone shots soon.

We’re also trying to prepare the site for the dry utilities to come in. This is power, telecommunications and gas. They bring their own contractor in to run all of those lines and require their path to be at finished grade and clear. We’ve got a little ways to go to be ready for them, but we are trying to get them in here in the next couple of weeks, as it will take them 2-3 months to fully get everything run and fired up with power. Stay tuned on that!

The images above are just some examples of things that we’re working to clean up so the dry utilities have a clear path.  Dirt mounds, ditches, etc. all have to be taken care of.

And a few snow pictures from a few weeks ago!

Read More
Habersham Administrator Habersham Administrator

A Peek at What is Coming

Happy New Year! Another long break between updates, so my apologies.  There hasn’t been too much new going on out on the site other than a few things I’ll go over here, but there has been a lot happening indoors that is keeping us busy. 

The contractor has been continuing with the stretch of stormwater pipe that was discussed previously and was able to tie into the existing system around the EarthFit building last week.  What this means is that the large ditches that ran along Cherokee Farms Road can now (and now have been) filled in because the water in that area can now utilize the new pipes to be transported to the new pond.  It is important to note that the only water using the pipes is the water coming from the already developed portion (i.e., the EarthFit building and the church).  All newly installed catch basins are covered because you do not want water from the construction site to go into the pipes, as it will carry with it a whole lot of dirt and we will have a big mess on our hands!  So, only runoff from the impervious areas that were existing.  

The manhole towards the bottom of the picture is the existing stormwater box that the crew has been making their way to for the past month to tie in the existing system.

This is the same manhole as above and the crew has dug down to where the existing pipe was coming out of the box.  They have cut the pipe off and are using a jackhammer to knock out the concrete in the opening so that the new pipe can be inserted into the box.

This is the pipe coming towards that box, with just one more segment of pipe to be put in.  The black fabric is wrapped around each joint in the pipe.

There are electrical and telecommunication utilities running all through here and they have caused multiple issues because they cannot be moved and are not always where you thought they would be.  Here, the engineer had to be consulted about how to move a box from where it was designed to be so that a major power line could be avoided.

Looking down into a narrow storm drain box that was recently installed.  The contraption at the bottom is the laser tool they use when laying pipe to get the right alignment and slope.

Filling in the large ditches allows the crew to finish the last run of sewer that extends to the EarthFit and church buildings.  They are installing that this week.  Please note that this will impact these areas.  There will be a few days where the temporary back lane on the north side of these buildings will be closed, so parking will be restricted to the parking areas behind the buildings and the street in front.

There are few small stretches of water line and stormwater pipes that remain to be installed and require some dirt to be moved, so those will be done after this sewer line is completed.  If we’re lucky, we may start seeing a few streets start getting cut in in a few weeks in order to start seeing how the compact the existing subgrade is.  We are working with geotechnical engineers to test compaction in various ways that we’ll discuss in a future update.

The inside work that is keeping us busy is working with all of the involved parties to start getting the vertical aspects of the project ready.  This includes the multi-family apartments, the model homes, the pool and pool building, and the potential independent/assisted living facility.  Habersham Row has closed on the property for the apartments and are waiting to be put on the agenda for the County’s final review of their development plan, landscaping and architecture.  They will still have to submit for a building permit after that.  Several of the approved builders are scheduled to close on their model home lots in the coming weeks and 4 have received final HARB approval for their plans.  Two more are forthcoming. We hope to start seeing activity on these model homes in the next month or so.  The pool building has been designed, approved by the county and will be going out for bids in the coming weeks.  Construction of that is a few months out.  The independent/assisted living facility is not final yet.  The developer of that project is still working on financing, as it is much more complex than these other things.  Currently, this is still considered a conceptual project but is one that we hope will come to fruition.  

There is a lot going on while the infrastructure is being put in.  As you may start hearing more about these various projects, you may see it referred to as being a part of the Pondcrest phase.  This is the name that was chosen to refer to this portion of Habersham.

Read More
Habersham Administrator Habersham Administrator

Merry Christmas!

Merry Christmas from Phase 7 Construction! All is at rest at the moment with the holidays upon us, and if you ride down Cherokee Farms Road, you’ll see all of J.R. Wilson’s big equipment lined up, looking good for their break. They’ll be back at work for 2 days next week before breaking again for New Years. Much kudos to J.R. Wilson’s crew for keeping everything organized and looking good throughout the construction site. They’ve even brought a tractor out and have groomed much of the site. J.R. Wilson continues to do a great job, making everything go very smooth thus far.

In the last 3 weeks, water lines and primarily stormwater piping has been going in. Along with the water lines, the individual service lines to the lots have begun to be installed. Below, you’ll see a picture of two adjoining lot corners with a sewer service line and water service line stubbed up for each lot. The water is the skinnier blue pipe and the sewer is the green straight pipe.

Again, the majority of the work the past 3 weeks has been stormwater pipes, which is slow, cumbersome work. The priority is getting the run of pipe from the pond all the way down towards the EarthFit building so that the existing pipes can be tied in and the existing ditch filled in. Currently, the pipes empty into the ditch, so to fill in the ditch, we have to make sure there is somewhere for the water to go. Filling in the ditch will allow the remainder of the sewer to be installed. Below are some photos of the work being done towards that goal. If the weather remains good, there is a chance that 90% of all water, sewer and stormwater piping will be done by mid February.

A crew working to mortar in a pipe where it enters a box.  The top of the box will eventually have a drain grate on it, which is what you see from above ground when it is all finished.  The black fabric around the pipe goes around each seam to prevent dirt from getting into the pipe seams.

There was a large pile of stockpiled fill dirt from when the roads and utilities were put in for the EarthFit building and church years ago.  Unfortunately, it was right in the way of where the storm drain pipe has to go, so this excavator is moving all of this dirt to get it out of the way.

We’ve had pictures of inside these boxes before, but this is just another to show a pipe that has just been mortared into place.  The smaller hole on the left edge of the photo is where a French drain pipe will tie into the box eventually.  These are sometimes put in to help keep the edges around road bases dry.

Below are some photos taken showing a view down a future street. Each picture is paired with an image of the plan showing where the picture is taken and the view direction. One thing you’ll notice is that the streets in Phase 7 are slightly angled compared to the existing streets. This slight “crank” is a design technique to create more interesting streetscapes as it creates an opportunity to better see the architectural facades in the distance rather than only being able to see them once you are directly across from them. You can see this best in the photo showing the view down the future street that will connect to Assembly Row. The view down the future street reveals the facades of the townhouses by seeing it at a slight angle.

View down the future North Assembly Row

View down the future North Abbey Row

View down the future Louis Pinckney Sr. Blvd towards Village Row

Finally, here is the map showing the progress thus far.  Have a great holiday and we’ll check back in in 2026!

Read More
Phase 7 Habersham Administrator Phase 7 Habersham Administrator

Sewer Piping Almost Complete

My apologies for going 4 weeks without an update. With a dry November, things were moving very fast and we were working feverishly to stay ahead of problems. Then, Thanksgiving week hit and here we are with an update 2 weeks late.

Since the last update, J.R. Wilson completed 90% of the sewer for the project. They were able to really capitalize on dry weather and move very quickly. Most of the pictures in this update show parts of that progress. It’s not the most exciting thing to look at, but it’s better than water pipes because it at least goes up and down and through manholes! The pictures are meant to show you what is underground and what your house ties into. It may be unimportant to some and interesting to others.

As we’ve mentioned before, a lot of horizontal construction is done in layers. You start with the deepest components (typically sewer here) and then work up. Sewer, stormwater and water are all your wet utilities and they are carefully profiled by the engineer because there are not only horizontal separation requirements (i.e., water and sewer pipes have to be separated by 10’), but there are also vertical separation requirements. When you have sewer and stormwater being gravity dependent, this gets very tricky because you’re constantly changing elevation and a consistent slope must be kept. So, if you need to raise a pipe up to get the required separation over a crossing, then you’ve just changed the elevation for the entire run of pipe, which could be hundreds of feet and most likely caused an issue somewhere else. Thankfully, all of this is worked out by the engineers before construction begins.

Dry Utilities are things like power, telecommunications, street lighting, etc. Unfortunately the dry utility companies are the ones who have to design their own layout and they really don’t take wet utility depths into consideration, yet they have their own depth and separation requirements. The developer is responsible for putting in sleeves for road crossings for the dry utility companies. So, one thing that has kept us busy in the past month is figuring out these sleeve depths. There are about 40 sleeve crossings we have to put in and each one of them may have 3-5 sleeves (i.e., one or two for power, one for Brightspeed, one for Sparklight, and sometimes one for streetlight). Many of these crossings are over or under sewer pipe, storm pipe, and water pipe. The power company wants everything to be 48” deep, but then they also can’t be much more than 5’ deep because they don’t have equipment to dig much deeper. This presents a different challenge at each crossing. Each one had to be carefully worked out and then negotiated with the power company when their requirements couldn’t be met. In a few instances, we will be responsible for encasing the entire crossing in concrete due to a forced shallow depth or being too close to another utility. Because the sewer was going in so quickly, there was a lot of scrambling to get these crossings worked out before they started any storm water or water that a dry utility crossing may need to go under. You definitely don’t want to have to go back and install something underneath something else!

This is looking down Zeb Run, with future houses on the right where the pine trees are and a pond on the left behind the giant pile of dirt.  The whole road is trenched down and the main sewer line is already in.  What this is showing is where the sewer service lines come up to the house lots.  Those tall green pipes will be cut off, but that is the sewer line that comes up from the main line and is stubbed up on a lot corner for a future house to connect into.

This is a view up Louis Pinckney Sr. Avenue and shows two sewer service stub ups for two adjoining lots.  So, this is what is visible above ground once everything from the previous picture is buried.

If you zoom in, you’ll see the white fitting on the end is a “Y”.  This is where those stub ups shown in the previous pictures originate.  This picture shows a sewer service that is coming off of a main line (that is buried).  The Y is where the two service lines split off and turn upwards, one going to one lot corner, and the other to the other lot corner, just as you saw in the previous picture.  Typically, sewer services come in pairs like this, with adjoining lots sharing the same lateral off the main.

Setting a manhole section in place.  The green pipe next to is not sewer pipe even though it is the same color.  This is something called a “whistle,” which is a colloquial term, and you’ll see this throughout the project for the duration of the project.  Similar to the well points mentioned in a previous post, these are used to remove groundwater from an area.  A hose is dropped down into this pipe with some rock and connected to a pump to pump the water out.

Looking down into a manhole.  A manhole basically serves as access points to the pipes where they bend or tee.  You can see the sewer just travels through cast channels that connect the pipes.

Look closely at this manhole being installed and you’ll see a pipe coming out the side of the manhole and going straight down.  This is called a manhole drop and happens when a sewer line is coming into a manhole at a lot higher level than the bottom of the manhole where the deeper sewer line is exiting or passing through.  As far as I know, I don’t think this is the way it was done when the earlier phases of Habersham were built.  It used to be that you would just have that pipe come straight into the manhole and the sewer would just fall down into the manhole (waterfall style).  The water utility company now requires these exterior drops to allow the sewer to drop to the lower level through the pipe and enter the manhole at the same level as the other connecting pipes.  There are several reasons.  The one that I think is somewhat comical is to prevent sewage from water falling down onto someone’s head while they may be down in the manhole working on something.  Other reasons focus on minimizing turbulence.  Sewage falling freely into the manhole produces more noxious gases and odors and it can also more speedily cause erosion and deterioration of the inside of the manhole.

These are two of the three live oaks that were found on the property other than the large ones up near Cherokee Farms Road.  These trees actually didn’t show up on the tree survey because they were too small, but we found them in the field and realized they flanked either side of an alley entrance, so we had them saved.  As you can see, the sewer goes right through the middle of them.  A water line will have to go right next to one as well.  The crew is doing everything they can to preserve these trees.  They will undergo a good bit of stress from the large amount of disturbance in their root zone, but I hope they will make it.

This past month, we were also working on getting together all of the paperwork needed to legally record the platted lots. Once lots are recorded, you are legally allowed to sell a parcel as long as you bond 125% of the infrastructure cost (to prevent a developer from selling a lot and skipping town before roads or utilities are put in for that lot!). We got our plat recorded so that we could close on the parcels that Habersham Row is purchasing. They just received their water and sewer permits for their project and will hopefully be able to get all of their other needed permits in time to start construction in a few months.

Stormwater pipes being joined into a box before being mortared in.  The black fabric you see wrapped around the pipe goes around each pipe joint to help prevent dirt from getting into the cracks and causing a sinkhole.

So, what’s coming up? Stormwater pipes and boxes will be ongoing and some of the water lines will start going in in certain areas. Stormwater pipes will be the big concrete pipes and the water pipes are the bright blue pipes. Below is the map showing everything that is in the ground so far.

Map showing what has been put in the ground so far.  Approximately 30%-40% complete.

Read More
Phase 7 Habersham Administrator Phase 7 Habersham Administrator

Wet Well Installation (emphasis on the “wet”!)

In a previous post, there was an introduction to what a pump station is and the preparation for the wet well installation for that pump station. It is the receiver of all of the project’s gravity sewer, which means it is the deepest part of the sewer system. The earlier post showed the well point system that was set up to prepare for this deep hole that must be dug. This post will show the installation of the wet well and the challenges that came with it.

Digging a hole that goes below sea level can be challenging enough. Unfortunately, there were some other factors that added to the difficulty for this particular job. One factor was the weather. We just had not had a lot of sunshine to help dry things out and had more wet weather on the way with 2 hurricanes looming off the coast. In addition, the location of the wet well is on the edge of the “limits of disturbance”. Part of the construction permit that is required by one of the state agencies is that you have to establish limits of disturbance, which a lot of times is where the silt fence is located. The earth cannot be disturbed beyond that line. In this case, the limit of disturbance was determined by the required 100’ buffer in this area, so it was as far as it could be anyways. What made it difficult is that it was close enough to the wet well location that it did not allow for the proper benching on that side of the hole. Instead, it was more like a shear wall of dirt, which can be dangerous because of caving in, but also makes the digging very difficult because of constantly having to deal with the dirt sliding down into the hole.

We set up a Timelapse video of the process of setting the wet well to help show the process from beginning to end. In the Timelapse, you can see the difficulty the contractor encountered throughout the week. Things had to be done multiple times dues to the wetness and the walls sliding in. It was a rough week for the contractor, but in the end, they got it set correctly and were able to start backfilling. The time lapse below had to be broken into 2 videos due to limits on file size, but know the second is a continuation of the first.

In the video, you’ll see them first digging down as far as they can and then setting the trench box to allow them to prepare the base where the bottom of the wet well will sit and to provide a safe place to work. You’ll then see the crane lifting and setting the different pieces of the wet well. They then had a hard time getting their trench box out due to more rain and dirt sliding in from around the wet well. The video ends prior to the full trench box coming out and the remaining sections placed on top, but we have pictures showing everything in place.

After letting it sit a week and getting some good sunshine, the top piece was set and it was properly backfilled and compacted. The contractor then began running the sewer line out from the wet well to the first manhole, which is almost just as deep as the wet well. The sewer line is continued out from manhole to manhole, going from the deepest point outward. So far, this week, the contractor has gotten in approximately 4 manholes and about 400’ of sewer pipe out from the wet well location. Rock is put around the entire length of the sewer pipe to help prevent the pipe from settling. A trench box is continued to be used with this deep sewer and can just be dragged as they dig the trench and lay the pipe.

Coming up this week, multiple crews will be on site and they will continue to lay sewer. In addition, while the contractor was waiting for things to dry out a little after setting the wet well, some water pipe was laid. Water is typically done after sewer because it is only 4’ deep and therefore goes on top of everything. Thankfully, there is a pretty decent length of water pipe that doesn’t have anything underneath it, so they were able to go ahead and knock this section out last week while things were wet.

Read More
Phase 7 Habersham Administrator Phase 7 Habersham Administrator

The Master Plan

"Ideas never die, Sire, and, though they may slumber for a time, they wake up stronger than when they fell asleep" -The Count of Monte Cristo by Alexandre Dumas

The master plan for the tract that encompasses Phase 7 was originally designed in 2002 for the previous land owner, Tim Rentz. Ironically, it was my first design charrette, as I was 19 years old and interning with Duany Plater-Zyberk & Co. (DPZ) while studying Landscape Architecture at Clemson. The project was called Cherokee Farms. Bob Turner had convinced the land owner to use the same town designer as Habersham so that the two developments could compliment each other. Two other future Habersham residents were also part of the DPZ design team, Mallory Baches and Demetri Baches. In addition to the master plan for Cherokee Farms, we also completed a regional study for the county to show where it made sense to encourage pedestrian oriented development with neighborhood and town centers, along with a regional network of 2 lane interconnecting roads and regional greenways.

Regional Plan done for the Burton area during the Cherokee Farms Design Charrette in 2002.  Orange areas depicted pedestrian shed (5 minute walk from edge to center) potential locations, purple was civic, red commercial, yellow were existing more rural neighborhoods, and green was open space.

The design charrette for Cherokee Farms took place at the Sea Island Inn on Bay Street and was an intense 10 day collaboration that involved town designers, architects, civil engineers, traffic engineers, builders, county officials, politicians, fire chiefs, surrounding residents and more. All of the key stakeholders were part of the process in creating a master plan that they all could support. Tom Low, with DPZ, led the charrette and is the same town planner who led the Habersham charrette 5 years earlier. The master plan that came out of the charrette is below. It included a mix of housing types, ground floor retail, civic sites for future churches, libraries, schools, etc., plenty of green space and a neighborhood pool.

Original master plan from the Cherokee Farms design charrette in 2002.

A few years later, the land owner formed a joint venture with Habersham Land Company to develop the project under the Habersham PUD zoning so that it could have the same design standards as Habersham and be an extension of the Habersham neighborhood rather than a separate development. As the design went through the early permitting process to be rezoned, the master plan was tweaked to accommodate new stormwater requirements, AICUZ restrictions, wetlands mitigation and other things. That master plan is below.

Revised Master Plan in 2006 to meet permitting requirements

Then, after the Great Recession in 2008, the landowner needed to sell the property so Habersham Land Company purchased it under a land holding company to protect it from outside development that may not be compatible with Habersham. HLC continued the efforts in rezoning and continued to meet roadblocks. We then helped the county write a new zoning ordinance for Traditional Neighborhood Development, which then allowed the project to move forward with its current zoning rather than be rezoned into the Habersham PUD. Since then, the County has adopted a Form Based Code, which is even better and permits developments like Habersham. Still, things like stormwater, buffers, and AICUZ requirements continued to change, so the master plan would be tweaked again into what it is today and locked in with a development agreement.

Even though changing requirements required tweaks, the bones and intent of the original master plan were held onto as much as possible. There were good ideas that came out of that 10 day charrette and those ideas were put on paper and there was buy in from all the stakeholders. Good ideas are worth holding onto, even if it takes 23 years to see them come to fruition.

The above image shows the plan for the current phase of development. You’ll see some of the features that have been mentioned in previous blog posts, and now having the plan graphic available, we’ll be able to refer to more things going on with construction as it relates to the plan. Looking at the different master plan versions over the years, you’ll see the long, carrot-shaped green along Cherokee Farms Road is part of this phase and is still oriented around the large live oak tree that is at the end of Hamlet Row. A green finger, in the form of an Avenue, extends across from Village Row and ends at the pool on a neighborhood square. An Avenue is a thoroughfare that connects two urban centers and typically has a landscaped median and terminated axes. This Avenue is named after Louis Pinckney Sr., who was one of the last living members of the family who last lived on the Habersham property and was able to share so many stories of the land with Bob when he first started Habersham.

The pool also looks out over the pond and park to the west as it has since one of the early master plans that was done. This entire block, consisting of the pool, pond and green space is called Albert Gary Park. As many know, Albert is more commonly known as “Lug” and this park is a way to honor him as a person and his contributions to Habersham for so many years. The street that borders the park to the south is named in memory of Lug’s parents, Clara and Francis Gary, whom Lug described as inseparable and thus, their names will be shared on a street sign and their street will hug the park bearing their son’s name.

Connecting the neighborhood square to the east side is a future boulevard, as in the original master plan, that will only be stubbed out in this current phase. That boulevard will connect to the future town square, just north of the Parish Church. The name of that Boulevard is Emmett Davis Jr. Blvd. Mr. Davis was one of the founders of the engineering firm Davis & Floyd and the father of Stephen Davis, Bob’s partner in developing Habersham. Mr. Davis was instrumental in helping Bob and Stephen get Habersham started in the early days.

The overall block pattern in the site plan reflects the original master plan other than some of the street connections to Cherokee Farms Road because of needed adjustments to meet the County’s access management requirements. So, even though it has been 23 years since the design charrette was done for this piece of land that was originally going to be a separate development, the good ideas that rose to the top during that process have stood the test of time and will be implemented to help strengthen the existing interconnectedness of Habersham and continue the harmonious evolution of a neighborhood.

More about the plan will be discussed in future posts. Below are some pictures from the original design charrette in 2002.

Read More
Phase 7 Habersham Administrator Phase 7 Habersham Administrator

Setting Well Points and Other Prep

The last two weeks have been mostly about preparation. There has been a little bit more of the pond dug. Most of the dirt moving involved filling is some of the former agricultural ditches and rerouting others to help take care of the site runoff during construction. Primarily, though, the contractor has been busy accepting deliveries of materials and moving those materials to appropriate storage areas. Lots of concrete stormwater pipe and stormwater boxes are now on site, as well as much of the sewer and water pipe. Sewer pipe is green and water pipe is blue. These colors are standard for these utilities. When you see utilities marked in Habersham prior to some work being done, you’ll often see green and blue spray paint on the ground. Green is marking where there is a sewer pipe underground and blue a water pipe.

What the pond looks like this week

Stormwater boxes of all different sizes lined up, waiting to be put in the ground.

Water pipes stacked up in the distance along with other materials for water and sewer installation

Concrete stormwater pipes

Various materials recently unloaded from a truck

First delivery of green sewer pipes on site.

These types of material deliveries are very time consuming. They require big equipment to unload the trucks because of the size and weight of each object. Then, each item has to be carried individually to where it will be stored. Organization is important as the size and weight of these materials make it not easy to just move around if they end up being in the way.

The most interesting work that took place a couple of days is setting well points for the preparation of digging the deep hole for the wet well, which was described in the previous blog post. Well points can be thought of as vertical French drains that use a pump to bring water up. A 2” pipe that is 30’ long is inserted straight up and down into the ground. At the bottom of the pipe, the end is capped and there are small slits in the bottom 2’ of the pipe. The top of the pipe is above ground and connected to a larger pipe that is connected to a pump. The pump creates a vacuum in the pipe which draws groundwater in through the slits and sucked up into the larger pipe, which passes through the pump and is pumped out to the neighboring pond. Many of these are placed every few feet around the perimeter of the hole you need to dig and all connected. The goal is for these pipes to suck the ground water out of the area you will be digging so that you are not battling water when you dig beyond the water table. We’ll find out if it worked when the wet well is dug!

The video below shows how this work is done. What you’re seeing in this video is an excavator with a special ram rod hung from its bucket. The ram rod has water pumped through it and is constantly shooting water out of the end. As the excavator rams the rod down into the ground, the water jet is displacing the soil. The video starts with the ram rod being pulled out and then immediately moving to the next location. As the rod is pulled out, the crew quickly pushes one of the yellow pipes down into the hole. You can see how far down these pipes go. Some rock or sand is dumped in afterwards to help keep the slots from getting clogged with dirt. This process is repeated to border the future hole on 3 out of 4 sides with well points every couple of feet.

The picture below shows the finished product. You can see the tops of all the yellow pipes are connected to the larger perimeter pipe laying on the ground, which is connected to the pump. Each of those yellow pipes has water being pulled up from 20’ down and that water is being pumped into the pond next to it. Hopefully this will make it easier to dig in a few days.

Once the well points were set, the crew began putting together something called a trench box. This trench box, shown below will be lowered down into the bottom of the hole once it is dug and create a safe place for people to be down in the hole working to set the wet well. Everything is prepared and the next blog post will hopefully show the wet well being dug!

Read More
Phase 7 Habersham Administrator Phase 7 Habersham Administrator

First Pipe in the Ground!

There has been a lot of activity in Phase 7 the past two weeks! The pond continues to be dug, first stormwater pipe is being installed, the sewer wet well digging has begun, and lot corners are being staked by surveyors. You may start to see some signs of street locations as well. With all of the digging, the dirt has to go somewhere, so much of it is distributed around the site in places where it can begin to dry out and potentially be used as the project moves forward for base material. Some of where it is being spread is where roads will eventually be cut in. It is also being used to begin filling in the old farm ditches that criss cross the site.

Dirt from the pond being spread where a road will eventually be cut in.

You can see the pond is gradually getting bigger. It looks like the engineers did a good job in their design as the depth is right at where groundwater is just beginning to come in.

The pond has gotten much larger with the whole north bank almost cut in.  The bottom of the pond is right at the water table, which is why there is a little bit of water at the bottom.

Storm drain boxes and pipe started to get delivered. You may remember a previous post that showed the careful attention to the design of each one of those boxes. Now, you can see what those look like. They’ll each have concrete tops placed on top that will hold the iron grates, which will eventually be all you will see from above ground. As you can probably guess, the large holes are where the concrete pipes get inserted and mortared into place. The smaller holes towards the top are for French drain pipes extending out from the boxes to help keep the ground dry around road bases.

Storm Drain Box with large hole for concrete storm pipe and small hole for French drain.  Concrete lid sitting on top.

Looking through one of the storm drain boxes.

Another example of one of the storm drain boxes that will be put in.  Each one will have an iron grate on top, which is what you would see above ground.

Some of the concrete pipes that will be used to transport stormwater runoff to the ponds.

An example of a pipe that has been inserted into a box but not mortared yet.  Each pipe has to be set at an exact slope so that it will connect into the next box at the right height (and because water runs downhill!)

 Here’s the other side of that box where the pipe has been mortared in.

Typically, most pipe laying will start with the deepest and work its way back. So, much of the first storm drain pipes that will be going in first will be the ones that empty into the ponds. These are the outlet pipes. They will work back from there in most cases. You can see the first outlet that was put in last week.

This shows the outlet pipe exiting into the pond.  Once the pond is full, the pipe will be underwater.  The contractor starts with the outlet pipe and works their way backwards from there when laying the pipe.

Outlet pipe looking back to where the contractor is digging to set the first box.

The sewer pump station site was staked out and the digging has begun for the wet well. If you are unfamiliar with pump stations, you can find 4 pump stations in Habersham. One is behind a fence on your left just before you get to the car gate going to the pool. Does anyone know where the other 3 are? If so, put your answer in the comments. For those unfamiliar with pump stations, here is a short video found on YouTube that gives a simple explanation of what they are and how they work:

Basically, gravity is used to get all sewer to this point. It all drains into the pump station’s wet well, which is essentially a tank. Because it is fed by gravity and we get no help from topography in the Lowcountry, it has to be pretty deep! This particular one will be 27’ deep!! Digging a hole with a bottom that is 7’ below sea level presents challenges and we can show that process in a future post. For now, the contractor has dug a hole down to the water table, which is 8’-10’ deep. The schedule for digging the rest and setting the wet well in (with a crane) will depend on the weather and how much water they run into down deeper. By the way, the existing pond next to this location was drained dry to help with this. Because of it’s proximity, digging a deep hole will cause the water in the pond to travel laterally underground to the deeper hole because the groundwater will be sucked into the hole, causing the pond water to infiltrate into the soil more and then into the hole itself. Draining the pond helps minimize the amount of water that has to be dealt with while digging. More to come on that!

Pump Station location.  The hole has been prepped and the first 10’ dug out.  Although the Wet Well will only be 5’-6’ wide, the hole starts out 40’x40’ because of how deep it will end up having to be.

Read More
Phase 7 Habersham Administrator Phase 7 Habersham Administrator

Digging Begins

Since the last post, we’ve had a couple of sets of back to back days with no rain, which has really helped dry things out. The crews have ground up all of the stumps and have begun moving dirt. The work is starting with digging the pond. This will allow the opportunity to use the pond to deal with stormwater during the construction phase and will also provide fill dirt for building the roads up. You can see this already starting to happen with the roads being put in around the pond.

This is the beginnings of a road, with lots on the left overlooking the pond on the right.

Here in the lowcountry, most of the time your pond depth is determined by the water table. Geotechnical work was done prior to engineering design by drilling down in several areas on the property to determine the water table depth. Then, the engineers used this information to design the pond. That depth then drives the size of the pond needed to accommodate the volume required by the local ordinances. In Beaufort, new developments are required to maintain 1’ of freeboard (“extra space”) for a 100-year storm event, and you have to be able to hold it for a certain length of time before water leaves the site. That requires a lot of storage room! Instead of digging a big hole that only has a small amount of water in it most of the time in order to maintain volume for 100-year storms, we have designed a dry pond to accommodate the storage requirements. A dry pond is a lower area that temporarily fills up with water when the wet pond’s capacity is reached. The way we have designed it is to be a large park that is sodded, so that it can be used while it is dry. We have attached a picture of a similar concept at Alys Beach in Florida. Habersham’s will not be as urban as this one is, but you can see how a park can be made out of something that is also functional for stormwater.

Dry Pond at Alys Beach in Florida that doubles as a sunken urban park with amphitheater stage.

Hard to see, but the beginnings of the dry pond sunken area, taken from the dike separating the wet pond from the dry pond.

Looking ahead, the contractor will continue moving dirt around and there should be some materials starting to be delivered to the site in the next few weeks. In addition, the surveyors will be out in another week to start staking all of the lot corners. This may seem wasteful as almost all of them will be destroyed, but it is unfortunately required in order to record the plat. And the plat must be recorded to transfer property, which we will need to do for the model homes and multi-family to be able to start prior to the infrastructure being completed. More on all of that in a future post. But prior to the next post, you may see a bunch of stakes being put in the ground and that is what they will be doing.

Here are some more photos of the progress...

Looking down the dike separating the wet pond on the right from the dry pond on the left.

Reached the water table!

The machines doing the heavy lifting

Read More
Phase 7 Habersham Administrator Phase 7 Habersham Administrator

Wet, wet, wet….

It has been a very wet last two weeks. It hasn’t slowed things down too much since the work has consisted mainly of pulling and piling stumps. We do hope it dries out some before topsoil starts to be removed and grading begins. This phase is fortunate to have all of the old farm ditches criss-crossing the property as these really help keep things drained and help pull some of the saturated groundwater out.

Earlier this week, the wood chippers arrived on site and they have begun chipping the stumps. It will probably take them a week or so to get everything chipped and hauled off. Having done so, the site will be pretty well cleaned up and ready for preliminary grading.

Stumps piled up prior to chipping and stumps after being chipped into mulch

Offsite, we are working with the engineers and contractor to review and approve every one of the concrete structures that have to go in the ground. This includes all the stormwater boxes (the things underneath the metal grates you see on the edge of roads) as well as sewer manholes. There are over 70 stormwater boxes and every single one of them has to be designed to exact dimensions based on the elevation it is set at, the size pipes that are coming and going from it, and the exact elevation down to the hundredth decimal of the bottom of each pipe. An example is shown below. At the same time, we are working with Beaufort Jasper Water and Sewer Authority to get their approval on every piece of material that will be part of the water and sewer system (i.e., pipes, valves, hydrants, manhole covers, couplings, meter boxes, etc.). They review and approve the specs and manufacturer of each piece. This is because they will take ownership of the whole system after it is put in. It’s a $4 million gift to them ;-)

An example of a stormwater box design to be custom made out of concrete.

Once everyone is ok with everything, materials can be ordered and we’ll start seeing things show up on the site.

Here are some pictures with explanations from the past two weeks.

Future alley is cleaned up from all stumps and ready for grading

Future pool will be right where the large puddle of water is with a large pond and park beyond.

Trees preserved in a future neighborhood park

Once we have the master plan rendered to share, we’ll start showing where photos are taken on the plan. More to come neighbors...

Read More
Phase 7 Habersham Administrator Phase 7 Habersham Administrator

Work Begins…

Phase 7 Highlighted on 2009 Conceptual Master Plan (for visual study only) to show context

We received our development permit for Phase 7 from Beaufort County on July 9 after 3 years of permitting. Much of the time was waiting on required state permits, which are more rigorous since we are in a coastal area. Stormwater permitting is also very time consuming, as Beaufort County has some of the most stringent stormwater requirements in the country. Phase 7’s stormwater report is over 500 pages long! But, alas, all permits were received and work began on July 12 after a successful pre-construction meeting on July 11 that also involved our first inspection. This first inspection is to make sure all of your silt fencing and tree protection is correct and you have proper construction entrances in place, and proper documents on site.

The first phase of construction is everyone’s least favorite. Clearing trees. It is always hard to see trees come down. Especially if you’ve only known the site as a tree filled property. But, some of our older Habersham residents may remember when this property was farmed for cucumbers not that long ago. Here is an aerial from just 20 years ago and you’ll see the only trees in this phase of development were in ditches!

Then, here is an aerial from just over 10 years ago. A pine forest had grown up on the western side, but the fields still mainly were kept cut.

Then, below is an aerial from last year and you can see how much growth can occur in just 10 years.

A lot of those trees that grew up in the fields are being saved and will either be on lots or in open spaces. Much of the pine forest will be maintained as an 100’ buffer on those edges of the property. Unfortunately, the trees in the ditches (all the straight lines in the aerials) cannot be saved. Ditches have to be filled in and the trees down in the ditches cannot survive with that fill on top of them. Some of those ditches are over 5’ deep! So, many of the trees that we see coming out are those trees that have grown up in the numerous farm ditches that criss-cross the property.

The contractor had a timber company come in to do the cutting and there is a good chance most of the trees will become pulp wood. Although it is hard to see trees come down, we have to admit that this machine is pretty impressive! Yikes!

About 93% of the caliper inches that were removed were non-specimen trees. Specimen trees that were removed will be mitigated inch for inch with new tree plants and non-specimen trees that were preserved. The county does not count preserved specimen trees towards mitigation, but there are some great specimen trees that are part of the trees being saved.

It took about a week and a half to remove the trees and now they are in the process of hauling them out. Behind them come the stump snatchers. You can’t leave those stumps in the ground! Every single one has to come out and that process will take much longer than the trees. We expect them to spend about 4 weeks removing stumps and finish grubbing the site.

More to come neighbors….




Read More